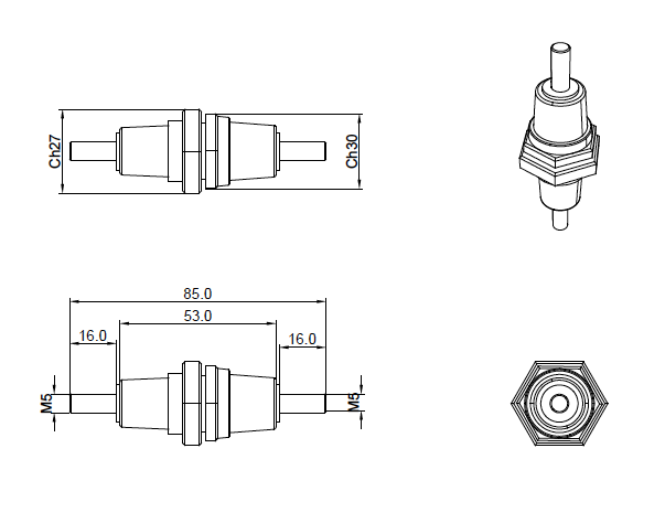
Serie MV1