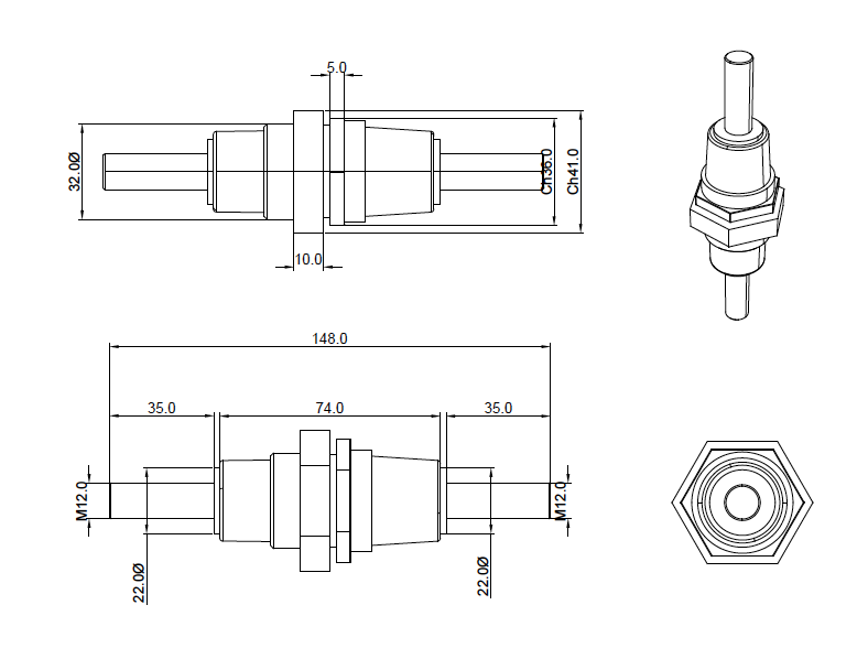
Serie MV3